产品目录
桃色在线视频
液体流量计
桃色成人在线视频
油流量计
桃色视频入口
椭圆齿轮流量计
电磁流量计
涡街流量计
蒸汽流量计
孔板流量计
旋进旋涡流量计
热式气体质量流量计
转子流量计
浮子流量计
靶式流量计
气体流量计
超声波流量计
磁翻板液位计
浮子液位计
浮球液位计
玻璃管液位计
雷达液位计
超声波液位计
投入式液位计
压力变送器
差压变送器
液位变送器
温度变送器
热电偶
热电阻
双金属温度计
推荐产品
联系桃色APP直播软件
- 金湖桃色APP直播软件仪表有限公司
- 联系电话:15195518515
- 在线客服:1464856260
- 电话:0517-86801009
- 传真号码:0517-86801007
- 邮箱:1464856260@qq.com
- 网址:http://www.hdl-enamel.com
- 地址:江苏省金湖县理士大道61号
石油流量计
- 品*:JKM/桃色APP直播软件仪表
- 型号:JKM-LC
- 测量范围:0.04-1000m³/h
- 精度等级:0.5%
- 公称通径:DN10-DN200
- 适用介质:柴油 原油 工业油
- 工作压力:1.6-6.4Mpa
- 工作温度:-10-100℃
- 供电方式:24VDC
- 订货号:NPBTEKODT960
石油流量计概述
椭圆齿轮流量计是用于管道中液体流量连续或间断测量和控制的容积式计量仪表。它具有量 程范围大、准确度高、压力损失小、粘度适应性强、能测量高温高粘液体、标定方便、安装建议等诸多优点。适用于石油、化工、化纤、交通、商贸、食品、医药卫生等部门的流量计量。
LC 系列椭圆齿轮流量计装有指针和字轮累积装置,可现场直接显示流经管道内的液体流量和 瞬时流量。在计数机构中附加发讯装置与电显仪表配套可实现累积、定量和瞬时流量远传集中控制。 加装散热器或椭轮欠齿可测量高温、高粘液体。
不同的液体(酸、碱、盐、有机溶液等)流量计主体可选择不同的材质制造。

石油流量计结构与工作原理
椭圆齿轮流量计由流量变送器和计数机构组成。变送器与计数机构之间加装散热器,则构成高 温型流量计。送变器由装有一对椭圆齿轮转子的计量室和密封联轴器组成,计数机构则包含减速机 构、调节机构、计数器、发讯器。

计量室内由一对椭圆齿轮与盖板构成初月形空腔作为流量的计量单位。椭圆齿轮靠流量计进出 口压力差推动而旋转,从而不断地将液体经初月形空腔计量后送到出口处,每转流过的液体是初月 形空腔的四倍,由密封联轴器将椭圆齿轮转的总数以及旋转的快慢传递给计数机构或发讯器,便可 知道通过管道中液体总量和瞬时流量。

1.各种计数器功能及代号

2.型号及主要零件材质

*如有特殊需要请另行注明
石油流量计性能(误差与压力损失曲线)

解释:1 图中各种不同液体可用精度调节装置将流量计误差调整在 0 轴上下,使误差达*佳值。
2 任何液体缩少流量量程比情况下,用精度调节装置可提高流量计精度。
石油流量计技术参数
1 铸铁型、铸钢型、不锈钢型椭圆齿轮流量计

2 高粘型椭圆齿轮流量计

3 高精度椭圆齿轮流量计

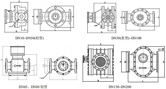
石油流量计外形尺寸
1 铸铁型椭圆齿轮流量计外形尺寸
型号:LC—A、LC—NA


2 铸钢型外形尺寸
型号:LC—E、LC—NE、 (外形同上)

*DN10/DN50(轻型)/DN65/DN80(轻型)法兰尺寸为 1.6MPa 标准;其余口径为 6.4MPa 标准;
3 LC—B 型不锈钢椭圆齿轮流量计外形尺寸(单位:mm)

*高温型椭圆齿轮流量计外形尺寸:DN15~DN50(轻型),B 尺寸按上表数据加 100mm 热延伸管;DN50 (重型)~DN200,B 尺寸按上表尺寸加160mm 热延伸管,其余尺寸同上表相应尺寸。
石油流量计的安装使用
1 流量计前应安装配套过滤器,且配套过滤器的出口紧接流量计的入口,两者本体上箭头指向 与液体流向一致。
2 当被测液体含有气体时,流量计前应安装消气过滤器。
3 不论管路是垂直还是水平安装,但流量计中的椭圆齿轮应安装成水平位置(即表度盘应与地 面垂直)。
4 流量计在正确安装情况下,如果不易看清读数,可把计数器转向 180 度或 90 度均可。
5 新流量计在安装前先用竹棍从出口处把椭圆齿轮推几次,如发现不动,可以用柴油浸泡(避免 出厂校验后内存沉淀物)。
6 流量控制阀应安装在流量计进口处,开闭阀门装在出口处,使用开闭阀时缓慢启动,不要突 然开启以防“水击”现象。
7 在新管道上安装流量计前,管道需要冲洗,冲洗时采用直管段(替代流量计位置)防止焊渣, 杂物等进入流量计。
8 严禁用水校验铸铁、铸钢材质的流量计。
9 流量计在使用时流量大小不得超过技术要求.流量计工作在*大流量 50—80%为优。
10 被测液体如果具有化学腐蚀性,须选用不锈钢材质的流量计。

石油流量计常见故障原因,排除方法

石油流量计型号标识


