产品目录
桃色在线视频
液体流量计
桃色成人在线视频
油流量计
桃色视频入口
椭圆齿轮流量计
电磁流量计
涡街流量计
蒸汽流量计
孔板流量计
旋进旋涡流量计
热式气体质量流量计
转子流量计
浮子流量计
靶式流量计
气体流量计
超声波流量计
磁翻板液位计
浮子液位计
浮球液位计
玻璃管液位计
雷达液位计
超声波液位计
投入式液位计
压力变送器
差压变送器
液位变送器
温度变送器
热电偶
热电阻
双金属温度计
联系桃色APP直播软件
- 金湖桃色APP直播软件仪表有限公司
- 联系电话:15195518515
- 在线客服:1464856260
- 电话:0517-86801009
- 传真号码:0517-86801007
- 邮箱:1464856260@qq.com
- 网址:http://www.hdl-enamel.com
- 地址:江苏省金湖县理士大道61号
*先选择对的油流量计要分清楚是什么介质
1、具有黏稠性液体:用椭圆齿轮流量计,像润滑油,高粘度油,花生油,汽油,柴油,食用油,液压油,石油等。
2、具有低粘度的液体:用桃色在线视频。
那么,由下文进行简单枚举常见的油流量计种类有哪些:
一、椭圆齿轮流量计
椭圆齿轮流量计概述
椭圆齿轮流量计是用于管道中液体流量连续或间断测量和控制的容积式计量仪表。它具有量 程范围大、准确度高、压力损失小、粘度适应性强、能测量高温高粘液体、标定方便、安装建议等诸多优点。适用于石油、化工、化纤、交通、商贸、食品、医药卫生等部门的流量计量。
LC 系列椭圆齿轮流量计装有指针和字轮累积装置,可现场直接显示流经管道内的液体流量和 瞬时流量。在计数机构中附加发讯装置与电显仪表配套可实现累积、定量和瞬时流量远传集中控制。 加装散热器或椭轮欠齿可测量高温、高粘液体。
不同的液体(酸、碱、盐、有机溶液等)流量计主体可选择不同的材质制造。
椭圆齿轮流量计结构与工作原理
椭圆齿轮流量计由流量变送器和计数机构组成。变送器与计数机构之间加装散热器,则构成高 温型流量计。送变器由装有一对椭圆齿轮转子的计量室和密封联轴器组成,计数机构则包含减速机 构、调节机构、计数器、发讯器。
计量室内由一对椭圆齿轮与盖板构成初月形空腔作为流量的计量单位。椭圆齿轮靠流量计进出 口压力差推动而旋转,从而不断地将液体经初月形空腔计量后送到出口处,每转流过的液体是初月 形空腔的四倍,由密封联轴器将椭圆齿轮转的总数以及旋转的快慢传递给计数机构或发讯器,便可 知道通过管道中液体总量和瞬时流量。
1.各种计数器功能及代号
2.型号及主要零件材质
*如有特殊需要请另行注明
椭圆齿轮流量计性能(误差与压力损失曲线)
解释:1 图中各种不同液体可用精度调节装置将流量计误差调整在 0 轴上下,使误差达*佳值。
2 任何液体缩少流量量程比情况下,用精度调节装置可提高流量计精度。
椭圆齿轮流量计技术参数
1 铸铁型、铸钢型、不锈钢型椭圆齿轮流量计
2 高粘型椭圆齿轮流量计
3 高精度椭圆齿轮流量计
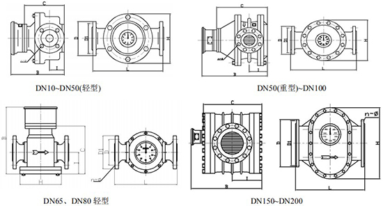
椭圆齿轮流量计外形尺寸
1 铸铁型椭圆齿轮流量计外形尺寸
型号:LC—A、LC—NA
2 铸钢型外形尺寸
型号:LC—E、LC—NE、 (外形同上)
*DN10/DN50(轻型)/DN65/DN80(轻型)法兰尺寸为 1.6MPa 标准;其余口径为 6.4MPa 标准;
3 LC—B 型不锈钢椭圆齿轮流量计外形尺寸(单位:mm)
*高温型椭圆齿轮流量计外形尺寸:DN15~DN50(轻型),B 尺寸按上表数据加 100mm 热延伸管;DN50 (重型)~DN200,B 尺寸按上表尺寸加160mm 热延伸管,其余尺寸同上表相应尺寸。
椭圆齿轮流量计的安装使用
1 流量计前应安装配套过滤器,且配套过滤器的出口紧接流量计的入口,两者本体上箭头指向 与液体流向一致。
2 当被测液体含有气体时,流量计前应安装消气过滤器。
3 不论管路是垂直还是水平安装,但流量计中的椭圆齿轮应安装成水平位置(即表度盘应与地 面垂直)。
4 流量计在正确安装情况下,如果不易看清读数,可把计数器转向 180 度或 90 度均可。
5 新流量计在安装前先用竹棍从出口处把椭圆齿轮推几次,如发现不动,可以用柴油浸泡(避免 出厂校验后内存沉淀物)。
6 流量控制阀应安装在流量计进口处,开闭阀门装在出口处,使用开闭阀时缓慢启动,不要突 然开启以防“水击”现象。
7 在新管道上安装流量计前,管道需要冲洗,冲洗时采用直管段(替代流量计位置)防止焊渣, 杂物等进入流量计。
8 严禁用水校验铸铁、铸钢材质的流量计。
9 流量计在使用时流量大小不得超过技术要求.流量计工作在*大流量 50—80%为优。
10 被测液体如果具有化学腐蚀性,须选用不锈钢材质的流量计。
椭圆齿轮流量计误差计算及调整
1 流量计的基本误差,由各检定流量点的各种测得值,分别按正式计算:(容积法)
E=(Vm—V)/V×100%
E—流量计误差(一般指累积误差)取二位有效数字.
Vm—流量计测得值
V—经修正后,流量标准装置测得值(即实际值)
由基本误差计算公式,当
Vm>V 时,流量计基本误差为”+”值,表示流量计走快了.
Vm<V 时,流量计基本误差为”—”值,表示流量计走慢了。
为了使流量计误差在基本误差限之内,往往需要进行误差调整.即通过更换装在计数器内的一 对调整齿轮(调整牙)来改变机械传动速比,从而使流量计的示值得以调整。
误差调整不能改变流量计的流量特性,仅使其特性曲线人为的处于新的坐标系中。
一般来说,在规定(或实际使用)的流量范围内,其*大与*小流量点的基本误差范围不在规定 精度的基本误差限,均可通过误差调整使其流量计基本误差合格。
已使用过的流量计,一般先用原来的调节齿轮组进行误差检定,然后根据具体的误差情况再进 行误差调整。
2 椭圆齿轮流量计误差调整方法(误差调整表使用说明)
1. 设计时的标准双层齿轮是 38/35,在检验时若发现流量计走快了.如+1.02~0.3 时,应将双 层齿轮 38/35 齿轮对应的零位,上移到 41/38 齿轮相对应+0.63 的位置,这样差曲线便处于新的坐 标系中,而流量计的误差被调整在+0.33~—0.33 的范围内,便达到合格要求。
2. 流量计在使用中,由于工作条件不同和变化,误差往往会变化,以至超差,只要误差范围 不超过 1%一般均可以调节.例如仪表误差下降到—0.7~+0.2,而需调换双层齿轮时,*先应看双层 齿轮是多少齿的,如果是 38/35 则按(1)法调整,若是 41/38 齿轮时,则应将该齿轮相对应的误差 +0.63 作为零位,这时应将 41/38 齿轮调换成 40/37 双层齿轮,误差便可调整到—0.5~+0.4 范围内 保证合格。
椭圆齿轮流量计常见故障原因,排除方法
椭圆齿轮流量计型号标识
二、桃色在线视频
桃色在线视频概述
涡轮流量计是速度式流量仪表中的一种,也叫叶轮式流量计,以动量矩守恒原理为基础。
涡轮流量计的结构见右边图 1-1 和图 1-2,流体在管道中流动时冲击涡轮叶片,使涡轮旋转,涡轮的旋转速度随流量的变化而变化,*后从涡轮的转数求算出流量值,在二次仪表上进行计数和显示,可反映出瞬时流量和累积流量(或称总量),也可转换成标准信号进行远传。此外,传感器输出的脉冲频率信号可以单独与计算机配套使用,由计算机代替流量显示仪表实现密度或温度、压力补偿,显示流体体积流量或质量流量。是目前流量仪表中比较成熟的高准确度仪表之一。
桃色在线视频部件组成
通常涡轮流量计由整流器、仪表管段、传感器和前置放大器构成。
整流器是为了消除或减少流动中的漩涡流、偏心流等各种非轴对称流和脉动流而设置于流量计前端管道中的装置。
仪表管段是指包括整流器、上下游直管段以及流量计在内的配管部分。
传感器是把转子的转动转换成电信号的装置。通常把涡轮流量计中感知流体流速的涡轮及其组合(包括前后导流架、轴承、壳体及前置放大器)统称为涡轮流量传感器。
前置放大器是为了传送传感器的电信号而对其进行放大、整形,从而得到输出信号的装置。将输出信号的信号处理、转换部分称为二次仪表或显示仪表。
桃色在线视频工作原理
流体通过传感器壳体时,由于叶轮的叶片与流向有一定的角度,流体的冲力使叶片具有转动力矩,克服摩擦力矩和流体阻力之后叶片旋转,在力矩平衡后转速稳定,在一定的条件下,转速与流速成正比,由于叶片有导磁性,它处于信号检测器(由永久磁钢和线圈组成)的磁场中,旋转的叶片切割磁力线,周期性的改变着线圈的磁通量,从而使线圈两端感应出电脉冲信号,此信号经过放大器的放大整形,形成有一定幅度的连续的矩形脉冲波,可传至显示仪表,显示出流体的瞬时流量或累积流量。
在一定的流量范围内,脉冲频率 f 与流经传感器的流体的瞬时流量 Q 成正比,流量方程为:
式中 qv —— 流体的瞬时流量(工作状态下)m3/h ;
f —— 脉冲频率,Hz;
K —— 传感器的仪表系数 m-3 ,由校验单给出。
每台传感器的仪表系数由我公司填写在检定**中,K 值设入配套的显示仪表中,便可显示出瞬时流量和累积总量。
桃色在线视频产品特点与材质
本公司产品的各项零部件均采用高精度的数控机床加工成型,具有一致性好,产品质量稳定,各项指标均优于同类国标要求。
传感器阀体采用国标 304 不锈钢制作,法兰采用 HG20593-2009、PN16 标准;
前后导向支架选用 304 不锈钢精密铸造成型,表面光洁度高,对流体通过时阻力小,与阀体紧密配合,在大流量通过时无噪声。
轴承选用高品质硬质合金轴承,耐磨蚀、耐腐蚀、寿命高。
叶轮选用高导磁不锈钢材料,整体式设计,经过高精密加工中心的一道道精雕细琢,品质优良,从而保证了整机的性能要求。
二次仪表选用国内知名厂家的产品,以确保整机在使用中的稳定性和精准性。
桃色在线视频适用场合
我公司研制生产的 LWGY 型涡轮流量计是在吸收国内外流量仪表的先进技术并结合实际使用情况加以优化设计而成的新一代涡轮流量计,广泛应用于测量封闭管道中与不锈钢 1Cr18Ni9Ti、2Gr13、刚玉 Al2O3和硬质合金不起腐蚀作用,且无纤维、颗粒等杂质,工作温度下运动粘度小于 5*10-6m2/s 的液体,对于运动粘度大于 5*10-6m2/s 的液体,可对流量计进行实液标定后使用。若与具有特殊功能的显示仪表配套,还可以实现定量控制、超量报警等功能,是流量计量和节能的理想仪表。与相应的流量积算仪表、现场显示表等配套可用于测量液体的流量和总量。它被广泛用于石油、化工、冶金、科研、国防、计量等领域的计量、控制系统。
如用户需用特殊形式的传感器,可协商订货,需防爆型传感器时,在订货中加以说明。
桃色在线视频规格代号与仪表参数
1 规格代号的表示方法
LWGY 型涡轮流量传感器型号和规格代号表:
2 仪表参数
传感器的公称通径、流量范围、流体温度、公称压力、环境温度、相对湿度、*大压力损失表:
桃色在线视频产品特点
本公司生产的涡轮流量计主要有以下特点:
1 优点
①准确度高。涡轮流量计的测量精度一般为±0.25%R~±0.5%R,高精度型可达±0.15%R。在线性流量范围内,即使流量有所变化也不会降低累积准确度。
②测量范围宽。*大和*小线性流量比通常为 6:1~10:1,有的大口径流量计甚至可达 40:1,故适宜流量大幅度变化的场合。
③重复性好。短期重复性可达 0.05%~0.2%,由于具有良好的重复性,因此在贸易结算中是优先选用的流量计。
④压力损失小。流通能力大(同样口径可通过的流量大)。
⑤耐高压。由于外形简单并且采用磁电感应结构,仪表壳体上无需开孔,容易实现耐高压设计,可用于高压液流的测量。
⑥数字信号输出。传感器输出的是与流量成正比的脉冲频率信号(即数字信号),易于远传,因此适用于总量及瞬时流量的计量与控制,信号的抗干扰能力也较强。获得的信号频率高,信号分辨率强。
⑦安装维修方便。结构简单轻巧,安装维护方便。因为无滞留部分,内部清洗简单。如发生故障,并不影响管道内流体的输送。
⑧适用范围广。基本上为圆筒形设计,容易适应高温、高压的要求和低温流体的测量;
⑨耐腐蚀。传感器采用国标不锈钢抗腐蚀材料制作,耐腐蚀性能好。
2 局限性
①不能长期保持校准特性,需定期校验。对于贸易储运等有高准确度测量要求的,*好配备现场校验设备,可定期校验以保持其特性。
②不太适宜高黏度型介质。对黏度变化反应敏感。介质黏度增大使流量计测量下限值提高,范围度缩小,线性度变差。
③仪表受来流流速分布畸变和旋转流影响较大,传感器上下游所需直管段较长,如安装空间受限制,可加装流动调制器(整流器)以缩短直管段长度。
④对被测介质清洁度要求较高。
桃色在线视频外形尺寸参数
桃色在线视频安装方法
涡轮流量传感器的安装布置简图如图 6-1。
涡轮流量计在出厂时将流量传感器、检测部件、流量显示仪表等组件分开包装,在现场安装的步骤如下:
①检查传感器、检测部件、流量显示仪表的出厂编号(或仪表系数)是否一致,切不可将不同出厂编号(或仪表系数)的组件混合安装,以免影响测量准确度。
②按安装要求将传感器组件装在管路上。
③用螺纹连接方式将检测部件固定在传感器组件上。
④在传感器壳体上安装流量显示仪表组件(整体安装),或将流量显示仪表安装在传感器附件的管路上。
桃色在线视频流量计的安装
1.在安装涡轮流量传感器时,必须保证满管安装,即管道中充满流体。否则流量测量会受到影响,导致测量误差。水平安装时如图 6-2 示意安装,垂直时如图 6-3 示意安装。
2.若流量传感器安装位置位于管线的低点,为防止流体中杂质沉淀滞留,应在其后的管线安装排放阀,定期排放沉淀杂质。
3.流量计一般水平安装,要垂直安装时需在订货时说明。
4.流量传感器不应装在水平管线的*高点,以免管线内聚集的气体(如停流时混入空气)停留在流量传感器处不易排出而影响测量。正确安装参见图 6-4 的方式。
5.传感器的安装方式根据规格不同,采用螺纹或者法兰安装。严禁在流量计壳体上进行焊接。焊接时必须将流量计拆离管线。
6.安装流量计前应将管道内的杂物、焊渣、粉尘清理干净。
7.在需要连续运行不能停流的场合,为了检修时不致影响流体的正常输送,建议在流量传感器的安装处,按图 6-1 设置旁通管路和可靠的截止阀,测量时应保证旁通管路无泄漏。
8.流量计安装时,其上、下游应根据使用说明书的要求配置相应长度的直管段。传感器上游端至少有 20 倍公称通径长度的直管段,下游端应不少于 5 倍公称通径长度的直管段。
9.为保证流量计的使用寿命,必须安装过滤器。对于不能停流的,应并联安装两套过滤器,轮流清除杂质,或选用自动清洗型过滤器。
10.安装时注意流体方向,不得反向安装。
11.需要安装流量调节阀的场合,调节阀应安装在流量计的下游处,以减少来自上游的流量干扰,利于流量的调节稳定。上游侧的截止阀测量时应全开,且这些阀门都不得产生振动和向外泄漏。压力表可装在上下游进出口处,温度计应装在下游 5DN 处。对于可能产生逆向流的管线应加装止回阀以防止流体反向流动。
12.流量传感器露天安装时,请做好遮阳和防雨淋措施。
13.流量计外壳设有接地端子,应可靠接地,但不得与强电系统地线共用。
14.现场安装、维护必须遵守“有爆炸性气体时勿开盖”的警告语,并在开盖前关掉外电源。
15.拆装流量计时,对磁感应部分不能碰撞。
16.投入运行前先进行仪表系数的设定。仔细检查,确保仪表接线无误,接地良好,方可送电。
17.涡轮流量计所安装的管道不得对其施加任何应力。
18.进行管道耐压试验时,涡轮流量计不得安装在管道上。
19.流量计显示仪表应可以转动一定角度。
三、靶式流量计
靶式流量计工作原理
当介质在测量管中流动时,因其自身的动能通过阻流件(靶片)时而产生的压差,并对阻流件有一作用力,其作用力的大小与介质流速的平方成正比。阻流件(靶片)接受的作用力F,经刚性连接的传递件(测杆)传至双电容传感器,双电容传感器产生电容差经高精度AD芯片进行处理,直接输出数字信号,由此,通过AD转换及计算机处理后,即可得到相应的瞬时流量和累积总量,其工作原理见示意(图1):
靶式流量计结构
电容式靶式流量计主要由测量管(外壳)、双电容传感器(含阻流元件)、积算显示和输出部分组成。根据不同的介质和工况,必须选用相适应的双电容传感器,因此,用户提供准确的计量对象及参数,生产厂家选用合适的电容力传感器是产品能否计量准确的关键。其结构如右(图2):
靶式流量计特点
1.采用大屏液晶显示,可同时显示多组参量,读数更直观;
2.整台仪表在设计中无可动部件,插入式结构,拆卸方便;
3.可选用多种防腐及耐高低温材质(如哈氏合金,钛等);
4.整机可做成全密封无死角(焊接形式),无任何泄漏点,可耐42MPa高压;
5.仪表内设自检程序,故障现象一目了然;
6.传感器不与被测介质接触,不存在零部件磨损,使用安全可靠;
7.具有多种安装方式供选择,如选择在线插入式,安装费用低;
8.具有一体化温度、压力补偿,直接输出质量或标方;
9.具有可选小信号切除、非线性修正、滤波时间可选择;
10.能准确测量各种常温、高温500度、低温-200度工况下的气体、液体流量;
11.计量准确,精度可达到0.2%;
12.重复性好,一般为0.05~0.08%,测量快递;
13.压力损失小,仅为标准孔板的1/2△P左右;
14.抗干扰,抗杂质能力特强;
15.可根据实际需要更换阻流件(靶片)而改变流量范围;
16.安装简单方便,*易维护;
17.多种输出形式,能远传各种参数;
18.抗震动性强,一定范围内可测脉动流。
靶式流量计技术指标
靶式流量计外形及尺寸
连接短管及法兰公称直径气体采用DN100mm,液体采用DN50mm,法兰规格采用国标1.6MPa、2.5MPa、4.0MPa,密封面形式RF。
4.连接法兰规格
a、法兰规格:公称压力0.6MPa~42.0MPa;
b、法兰尺寸主要采用**标准GB/T系列,并可采用化工行业标准HG系列、机械行业标准JB/T系列,也可协商提供按照客户要求的法兰。
靶式流量计的安装及要求
1.流量计的安装
高温型(80度至500度)、常温型(-30度至70度)、低温型(-200度至-40度)
a.常温型、低温型、高温型流量计视不同工况采用水平、垂直或倒置式安装(以出厂效验单为准);
b.介质工作温度在300度以上时,用户应对流量计壳体采取隔热措施防止热辐射损坏表头(表头工作温度为-30至70度),同理工作温度-100度以下的介质,也要采取防冻措施;
c.为保证流量计准确计量,要求设置前后直管段;(图8)
d.为保证流量计在检查及更换时不影响系统工作,应尽量设置旁通阀(3)及切断阀(1、2);(图8)
e.因工艺需要可采用垂直安装,被测介质流向可由下至上,也可由上至下,但订购时应向供货方说明;
f.流量计口径与相连的管道口径尺寸尽量相同,以减少流动干扰,造成计量误差;
g.法兰式和夹装式流量计安装时,应注意法兰之间密封垫片内孔尺寸大于流量计和工艺管道通径6-8mm及否同轴,以避免因其产生干扰流而影响计量精确度;
h.插入式流量计安装时,将短管及法兰焊到管道上时必须确保流体正对着靶片受力面,焊接短管高度在100mm(从管道内壁至法兰密封面的距离);(图9)
i.对于新完工的工艺管道,应先进行初步吹扫后再安装流量计;
j.测量管外壁上箭头所指方向为被测介质流向;
k.流量计壳体必须可靠接地,若无接地条件应向厂方说明;
l.流量计连接法兰规格执行GB/T系列标准,也可以根据用户要求特殊加工(以出厂效验单为准)。
1、2、3分别为前后阀和旁通阀;4为流量计,L≥10D和L≥5D分别为前后直管段长度,D为管道公称直径。
2.流量计设置零点
注:(流量计安装后必须先进置零操作)
由于电容式力传感器及阻流件有自重,在流量计安装时不在水平方位状况下,需要重新设置流量计零点。
操作程序为:(也可在管道内无介质流动时直接置零,高温型及低温型流量计必须使管道内温度达到工作温度后置零)
a.关闭流量计下游的阀门;
b.缓慢打开流量计上游阀门,使流量计充满介质;
c.缓慢打开流量计下游阀门,使流量计运行10分钟左右;
d.关闭流量计上、下游阀门,并确定管道内流量为零;
e.用白纸或手指按在“ZERO”位置不小于3S;见(图10)
靶式流量计注意事项
不允许直接在流量计测量管前后端安装阀门、弯头等*大改变流体流态的部件。
如果需要在流量计前后管道上安装阀门、弯头等部件也应尽量保证前后直管段长度。
靶式流量计接线
a、24V供电型
1.24V供电型流量可具备多种输出方式,
a.电流输出:4~20mA;电源:16-32VDC,二线制;
b.脉冲输出:0~1000Hz;内阻1000Ω;电源:16-32VDC;10mA(带背光20mA);
c.RS485接口:电源:16-32VDC;10mA(带背光20mA);
d.电流输出+HART:4~20mA;电源:16-32VDC,二线制;
2.电流输出特性(图4)
以上图中Imin为流量计*小显示流量所对应的电流输出值,其输出值的大小为:
同理:可计算出满量程输出范围内任-输出电流及对应流量值。
3.0~1000HZ脉冲输出特性(图5)
4.仪表接线
a.流量计信号输出线电气连接口规格为:M20×1.5
b.4~20mA电流输出为二线制(图6)
c.脉冲输出为三线制(图7)
b、3.6V电池供电型
3.6V电池供电型的流量计,无法显示电池的容量,当电池电压越来越低时,显示会慢慢变模糊,应**更换电池。更换电池应为相同技术参数的电池,我公司电池可使用两年。(可向我厂咨询或购买)
为提高电池的使用时间,可通过修改滤波系数LP参数,该值设置越大,则代表可以使用更长时间,但流量计采集速度将会变慢。
*新资讯
- 柴油流量计结构和原理
- 重油流量计选型
- 汽油流量计常见故障及解决方案
- 汽油流量计不走流量的原因
- 甘油流量计选型
- 齿轮油流量计种类
- 齿轮油流量计原理
- 成品油流量计误差检定
- 成品油流量计计量精度
- 测油流量计的特点
- 测油流量计如何选购
- 测油流量计,油流量计量表
- 油流量计量表
- 油流量计厂家
- 油流量计,油流量表
- 测油流量计,油流量计厂家
- 油流量计量表,油流量计厂家
- 油品流量计,油流量计量表
- 油流量计,测油流量计
- 油流量计,油流量计量表
- 油流量表,油流量计厂家
- 油流量计厂家,油品流量计
- 油流量计量表,测油流量计
- 油流量计量表,油流量表
- 测油流量计,成品油流量计
- 油流量表,成品油流量计量器
- 油流量计量表,成品油流量计
- 洗油流量计,白油计量表
- 测油流量计,成品油流量计量器
- 油流量表,油流量计量表



















































