产品目录
桃色在线视频
液体流量计
桃色成人在线视频
油流量计
桃色视频入口
椭圆齿轮流量计
电磁流量计
涡街流量计
蒸汽流量计
孔板流量计
旋进旋涡流量计
热式气体质量流量计
转子流量计
浮子流量计
靶式流量计
气体流量计
超声波流量计
磁翻板液位计
浮子液位计
浮球液位计
玻璃管液位计
雷达液位计
超声波液位计
投入式液位计
压力变送器
差压变送器
液位变送器
温度变送器
热电偶
热电阻
双金属温度计
推荐产品
联系桃色APP直播软件
- 金湖桃色APP直播软件仪表有限公司
- 联系电话:15195518515
- 在线客服:1464856260
- 电话:0517-86801009
- 传真号码:0517-86801007
- 邮箱:1464856260@qq.com
- 网址:http://www.hdl-enamel.com
- 地址:江苏省金湖县理士大道61号
桃色视频入口接线图
发布时间:2021-04-24 07:51:47 点击次数:3645次
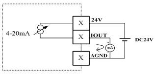
两线制4-20mA输出功能接线说明

三线制4-20mA电流输出

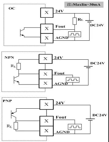
脉冲输出接线图

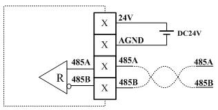
RS485输出接线图

IC卡信号接线说明

说明:
1、默认低电平,高电平有效,高电平>2.8V,低电平<0.2V,脉冲宽度可设置,BC、BL接线方式与IC信号相同(详细请咨询售后人员)。
2、任意供电下均有IC卡信号输出。
报警输出接线说明

上一篇:桃色视频入口的用途下一篇:椭圆齿轮流量计不转的原因
相关资讯
- 桃色视频入口安装直管段要求
- 桃色视频入口的结构与工作原理
- 桃色视频入口的产品特点和适用范围
- 桃色视频入口选型指南与外形尺寸
- 桃色视频入口使用环境
- 桃色视频入口使用注意事项
- 桃色视频入口怎么清洗
- 桃色视频入口适用范围
- 桃色视频入口为什么要加油
- 桃色视频入口波动大解决办法
- 桃色视频入口安装距离要求
- 桃色视频入口安装注意事项
- 桃色视频入口应用范围
- 桃色视频入口常见故障有哪些
- 提高桃色视频入口精度的方法
- 桃色视频入口精度等级
- 桃色视频入口的技术参数
- 桃色视频入口不准原因
- 桃色视频入口的优缺点
- 桃色视频入口的用途
- 桃色视频入口接线图
- 桃色视频入口种类
- 用桃色视频入口测量天然气流量
- 桃色视频入口的优点
- 桃色视频入口使用方法
- 桃色视频入口的选型表
- 桃色视频入口结构图
- 影响桃色视频入口测量精度的因素及措施
- 桃色视频入口维护保养
- 桃色视频入口特点

