产品目录
桃色在线视频
液体流量计
桃色成人在线视频
油流量计
桃色视频入口
椭圆齿轮流量计
电磁流量计
涡街流量计
蒸汽流量计
孔板流量计
旋进旋涡流量计
热式气体质量流量计
转子流量计
浮子流量计
靶式流量计
气体流量计
超声波流量计
磁翻板液位计
浮子液位计
浮球液位计
玻璃管液位计
雷达液位计
超声波液位计
投入式液位计
压力变送器
差压变送器
液位变送器
温度变送器
热电偶
热电阻
双金属温度计
推荐产品
联系桃色APP直播软件
- 金湖桃色APP直播软件仪表有限公司
- 联系电话:15195518515
- 在线客服:1464856260
- 电话:0517-86801009
- 传真号码:0517-86801007
- 邮箱:1464856260@qq.com
- 网址:http://www.hdl-enamel.com
- 地址:江苏省金湖县理士大道61号
桃色成人在线视频安装规范
发布时间:2021-03-17 06:20:06 点击次数:2961次
桃色成人在线视频仪表安装
2.6.1 安装须知
流量计的设计、试验和供电均有安全规定,用户必须严格遵守本说明书的有关条款确保流量计的安全操作及运行。保证桃色成人在线视频测量精度的必要条件如下:
1.被测液体介质必须具有导电性。
2.被测液体介质必须充满管道。
3.被测液体介质必须均匀,以避免电导率的不均匀性(会产生严重干扰),如需动态加入化学物质,应在仪表下游处注入。
4.桃色成人在线视频系统必须良好接地。
5.流量计入口直管段至少 5 倍 DN (测量管道内径),出口直管段至少 2 倍 DN。
6.在流量计附近,避免强电磁场干扰,避免安装在大型电机或变压器等设备附近。
2.6.2 安全措施
为保障人身和设备的安全,须遵守以下条款:
1.在选择位置和安装流量计之前,必须认真阅读完本说明书有关部分,同时要考虑流量计、相关设备和机身环境的安全要求。
2.应由具备一定仪表知识的人员进行仪表的安装和维修。
3.正确安装流量计传感器及配管,保证密封安全可靠,液体压力不得超过铭*上规定的*高工作压力。
4.采取一定措施,防止触电事故。
5.流量计的吊装设备应符合安全规定。
2.6.3 安装前的检查
1.检查法兰、衬里、壳体和出线套有无损伤。
2.打开盒盖、检查接线印刷电路板有无松动或损坏。
3.检查铭*中型号编码与订货编码是否相符。
2.6.4 吊装
流量计应采用正确吊装方法进行吊装,吊装设备的安全载荷及防护措施应符合有关规定。禁止在转换器箱体(一体式流量计)或接线盒(分离型流量计)处用绳拴接起吊仪表。

2.6.5 正确选择安装位置
正确地选择安装位置和正确安装流量计都是非常重要的环节,若在安装环节失误,轻者影响测量精度,重者会影响流量计的使用寿命,甚至会损坏流量计。选择安装位置时应注意以下问题:
1.测量电*的轴线必须近似于水平方向(与水平线夹角一般为 10°以内)

2.测量管道内必须完全充满液体。
3.流量计的前方*少要有 5×D(D 为流量计内径)长度的直管段,后方*少要有 2×D(D为流量计内径)长度的直管段。

4.流体的流动方向和流量计的箭头方向一致。
5.管道内要有真空会损坏流量计的内衬,需特别注意。
6.在流量计附近应无强电磁场,仪表安装场所的磁场强度应小于 400A/m(避免安装在大型电机或变压器等设备附近)。
7.若测量管道有振动,在流量计的两边应有固定的支座。
8.测量不同介质的混合液时,混合点与流量计之间的距离*少要有 30×D(D 为流量计内径)。
9.为方便今后流量计的清洗和维护,应安装旁通管道。

10.安装聚四氟乙烯内衬的流量计时,连接两法兰的螺栓应注意均匀拧紧,否则容易压坏聚四氟乙烯内衬,*好用力矩扳手。
11.仪表应避免强烈振动和过大的温度变化,同时要防止腐蚀性液体的滴漏对仪表造成损害。
12.如果安装地点易受阳光曝晒,应当增加遮蔽设施。
13.安装传感器时,应保证测量管与工艺管道同轴。对 50mm 及以下公称通径的传感器,其轴线偏离不超过 2mm。DN65~DN150 其轴线偏离不超过 3mm,≥DN200 其轴线偏离不超过 4mm。
14.法兰之间加装的法兰垫圈,应有良好的耐腐蚀性能,该垫圈不得伸入管道内部。
15.紧固仪表螺栓、螺母,其螺纹应完整无损,润滑良好。应依据法兰尺寸、力矩大小采用力矩扳手紧固螺栓。
16.在传感器邻近管道进行焊接或火焰切割时,要采用隔离措施,防止衬里受热,且必须确认仪表未通电运行,防止损坏仪表。
2.6.6 安装方式
应安装在水平管道较低处和垂直向上处,避免安装在管道的*高点和垂直向下处。

应安装在管道的上升处。

在开口排放的管道安装,应安装在管道较低处。若管道落差超过 5m,在传感器的下游安装排气阀且传感器的下游应有一定的背压。

应在传感器的下游安装控制阀和切断阀,而不应安装在传感器上游。

传感器绝对不能安装在泵的进口处,应安装在泵的出口处。

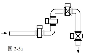
在测量井内安装流量计的方式:1.入口 2.溢流管 3. 清洗孔 4.入口栅 5. 短管 6.流量计 7.出口 8.排放阀

2.6.7 接地要求
桃色成人在线视频的接地是非常重要的,若接地不好,无法正常运行,传感器部分应有良好的单独接地线(铜芯截面积为 1.6mm2),接地电阻<10Ω 。
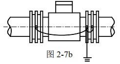
1.接地环
若与传感器连接的管道是绝缘性的,则需用接地环,应选择其材质和电*的材质一样,若被测介质是磨损性的,应选择带颈接地环。

2.接地方式
流量计在金属管道上的安装,金属管道内壁没有绝缘涂层。

流量计在塑料或内壁有绝缘涂料、油漆、内补等管道上安装时,应在传感器的两端安装接地环。

流量计在阴*保护管道上安装,防护电解腐蚀的管道一般在其壁和外壁是绝缘的,安装时注意接地环和管道上的法兰应绝缘。

2.6.8 改变转换器盒的方向
转换器盒可以根据需要作四个不同方向的转变。
1.一体型流量计的转换器盒方向的改变
① 取下固定转换器盒的 4 个六角螺丝。
② 将转换器盒转到理想的方向,旋转时注意内部连接线。
③ 重新固定转换器盒。
2.分体型流量计的接线盒方向的改变
① 取下固定接线盒的 4 个六角螺丝
② 将接线盒转到理想的方向,旋转时注意内部连接线
③ 重新固定接线盒。
上一篇:液体流量计如何选型下一篇:桃色成人在线视频种类及原理
相关资讯
- 中央空调桃色成人在线视频怎么看流量
- 空调桃色成人在线视频怎么接线
- 空调桃色成人在线视频选型要求
- 空调桃色成人在线视频安装要求
- 空调桃色成人在线视频安装位置
- 中央空调桃色成人在线视频型号规格
- 空调桃色成人在线视频工作原理
- 空调桃色成人在线视频的作用
- 电磁桃色成人在线视频的结构组成部分
- 电磁桃色成人在线视频计数不准原因分析
- 电磁桃色成人在线视频规格型号
- 电磁桃色成人在线视频允许误差多少
- 电磁桃色成人在线视频的优缺点
- 智能电磁桃色成人在线视频接线示意图
- 电磁桃色成人在线视频怎么调慢
- 电磁桃色成人在线视频测量范围
- 纯桃色成人在线视频的规格型号
- 纯桃色成人在线视频怎么检定
- 纯桃色成人在线视频的故障处理
- 纯桃色成人在线视频如何安装
- 纯桃色成人在线视频不走数故障分析
- 纯桃色成人在线视频清洗与维护
- 纯桃色成人在线视频计量不准原因分析
- 纯桃色成人在线视频接线图
- 纯桃色成人在线视频的作用
- 纯桃色成人在线视频选型规则
- 纯桃色成人在线视频操作方法
- 循环桃色成人在线视频显示为何不稳定
- 电厂循环桃色成人在线视频检定周期
- 冷却循环桃色成人在线视频的安装位置

